Cảm biến nhiệt độ đầu ra kỹ thuật số TMP107-Q1
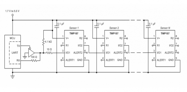
Cảm biến nhiệt độ đầu ra kỹ thuật số TMP107-Q1 hỗ trợ tổng cộng 32 thiết bị chuỗi. Mỗi cảm biến có một địa chỉ 5 bit duy nhất được lưu trữ trong bộ nhớ lập trình có thể xóa bằng điện (EEPROM). TMP107-Q1 có khả năng đọc nhiệt độ với độ phân giải 0,015625 ° C và chính xác trong khoảng ± 0,4 ° C trong phạm vi từ –20 ° C đến + 70 ° C. TMP107-Q1 lý tưởng để thay thế các nhiệt điện trở NTC và PTC ở những nơi yêu cầu độ chính xác cao.
Địa chỉ 5 bit duy nhất được lưu trữ trong EEPROM được xác định trong hoạt động gán địa chỉ tự động và dựa trên vị trí của từng cảm biến liên quan đến máy chủ dây SMAART. Nhiều chế độ hoạt động mang lại sự linh hoạt tối đa trong việc lựa chọn giữa mức tiêu thụ điện năng thấp cho hoạt động của pin và tốc độ cập nhật cao cho các ứng dụng điều khiển thời gian thực.
TMP107-Q1 lý tưởng để đo nhiệt độ mở rộng trong nhiều ứng dụng công nghiệp, thiết bị đo đạc, truyền thông và môi trường. TMP107-Q1 có sẵn trong gói SOIC 8 chân và được chỉ định để hoạt động trong phạm vi nhiệt độ từ −55 ° C đến + 125 ° C.
Đặc điểm
- AEC-Q100 Đủ điều kiện với: Nhiệt độ Cấp 1: –40 ° C đến + 125 ° C
Phạm vi nhiệt độ hoạt động xung quanh
- Thiết bị HBM Phân loại ESD Cấp độ 2
- Thiết bị CDM ESD Mức phân loại C6
- Độ chính xác cao (Không cần hiệu chuẩn):
± 0,4 ° C (tối đa) từ –20 ° C đến + 70 ° C
± 0,55 ° C (tối đa) từ –40 ° C đến + 100 ° C
± 0,7 ° C (tối đa) từ –55 ° C đến + 125 ° C
- Độ phân giải cao: 14 bit (0,015625 ° C)
- Giao diện SMAART Wire ™ tương thích với UART: Cho phép lên đến 32 thiết bị Daisy-Chained
- Bộ nhớ EEPROM cho địa chỉ duy nhất, Trip
Level Programming, and General-Purpose
Storage - Chuyển đổi liên tục và Chế độ tắt máy cho
- Tiết kiệm điện năng
- Chế độ chuyển đổi một lần chụp cho tỷ lệ cập nhật tùy chỉnh và tiết kiệm năng lượng
- Tính năng cảnh báo có thể lập trình
- Phạm vi nhiệt độ hoạt động: –55 ° C đến + 125 ° C
- Phạm vi điện áp cung cấp hoạt động: 1,7 V đến 5,5 V
- Đóng gói: SOIC-8
Thông số kỹ thuật
- Số chân: 8
- Kích thước: 19 mm² 4.9 x 3.9
- Độ chính xác của cảm biến/Local sensor accuracy (Max) (+/- C): 0.4
- Kiểu/Type: Local
- Phạm vi nhiệt độ hoạt động/Operating temperature range (C):-40 to 125
- Điện thế nguồn/Supply voltage (Min) (V): 1.7
- Kiểu giao diện/Interface type: UART
- Điện thế nguồn/Supply voltage (Max) (V): 5.5
- Dòng điện nguồn/Supply current (Max) (uA): 35
- Giải nhiệt độ/Temp resolution (Max) (bits): 14
- Đặc điểm/Features: EEPROM, Daisy chain, ALERT, One-shot conversion
- Kênh từ xa/Remote channels (#): 0
- Địa chỉ/Addresses:32
- Rating: Automotive
Hướng dẫn sử dụng
Vì đầu ra của TMP107-Q1 là số, nên nó được kết nối trực tiếp với microcontroller mà không cần bộ chuyển đổi ADC. Bạn có thể xem hướng dẫn chi tiết và ứng dụng của TMP107-Q1 trong file tmp107-q1

Đầu Dò Cảm Biến Nhiệt Độ K WRN-187


Reviews
There are no reviews yet.