Cảm biến nhiệt độ kỹ thuật số TMP9R00-SP- 9-Channel
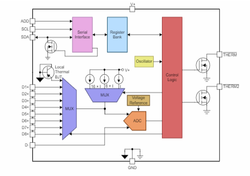
Thiết bị TMP9R00-SP là cảm biến nhiệt độ công suất thấp, đa vùng, độ chính xác cao, được làm cứng bằng bức xạ sử dụng giao diện tương thích hai dây, SMBus hoặc I2C. Có thể giám sát đồng thời tám vùng nhiệt độ từ xa và một vùng nhiệt độ cục bộ, tổng hợp các phép đo nhiệt độ trong một hệ thống giúp giảm độ phức tạp của thiết kế. Các trường hợp sử dụng điển hình là giám sát nhiệt độ của các thiết bị công suất cao khác nhau, chẳng hạn như MCU, GPU, ADC, DAC và FPGA. Các tính năng nâng cao như loại bỏ điện trở loạt, hệ số lý tưởng có thể lập trình, hiệu chỉnh độ lệch nhiệt độ và giới hạn nhiệt độ được bao gồm để cung cấp một giải pháp giám sát nhiệt mạnh mẽ.
Mỗi kênh từ xa và kênh cục bộ có hai ngưỡng có thể lập trình độc lập sẽ kích hoạt khi nhiệt độ tương ứng vượt quá giới hạn. Cài đặt độ trễ có thể lập trình có sẵn để tránh chuyển đổi xung quanh ngưỡng.
Thiết bị TMP9R00-SP cung cấp khả năng đo độ chính xác cao (± 1,5 ° C) và độ phân giải cao (0,0625 ° C). Thiết bị hỗ trợ đường ray điện áp thấp (1,7 V đến 2,0 V), giao diện hai dây thông thường (1,7 V đến 3,6 V) và phạm vi nhiệt độ hoạt động từ –55 ° C đến 125 ° C và phạm vi nhiệt độ mối nối từ xa từ –55 ° C đến 150 ° C.
Đặc điểm
- QMLV Đủ điều kiện: 5962R-2021401VXC
Đảm bảo độ cứng bức xạ (RHA) lên đến Tổng liều ion hóa (TID) 100 krad (Si) ở tốc độ liều thấp (LDR) 10 mrad / s
Latchup sự kiện đơn (SEL) Miễn dịch đến 76 MeV · cm2 / mg ở 125 ° C
Gói HKT gốm 16 chì tăng cường nhiệt
- Độ chính xác của cảm biến nhiệt độ điốt từ xa 8 kênh: ± 1.5 ° C
- Độ chính xác của cảm biến nhiệt độ cục bộ: ± 1.5 ° C
- Độ phân giải nhiệt độ: 0,0625 ° C
- Dải điện áp logic: 1,7 V đến 3,6 V
- Phạm vi cung cấp: 1,7 V đến 2,0 V
- Dòng hoạt động 67 µA (1 SPS, Tất cả các kênh đang hoạt động)
- Dòng tắt 0,3 µA
- Diode từ xa: Loại bỏ điện trở nối tiếp, Hiệu chỉnh η-Factor, Hiệu chỉnh bù đắp và Phát hiện lỗi Diode
- Chức năng khóa đăng ký Bảo mật các thanh ghi khóa
- Giao diện hai dây tương thích I2C hoặc SMBus ™ với địa chỉ có thể lập trình pin
Thông số kỹ thuật
- Kích thước: 72 mm² 10.16 x 7.1
- Số chân: 16
- Độ chính xác địa phương/Local sensor accuracy (Max) (+/- C)2
- Kiểu/Type: Từ xa/Remote
- Phạm vi nhiệt độ hoạt động/Operating temperature range (C): -55 to 125
- Điện áp: (V): 1.7-2.3
- Giao diện/Interface typeI: 2C, SMBus
- Dòng điện/Supply current (Max) (uA): 21
- Giải nhiệt/Temp resolution (Max) (bits): 12
- Đặc điểm/Features: ALERT
- Kênh từ xa/Remote channels (#): 8
- Địa chỉ/ Addresses: 4
- Rating: Space
Hướng dẫn sử dụng
Đây là cảm biến đo nhiệt độ từ xa, có đầu ra là tín hiệu số. Do đó nó được nối trực tiếp với microcontroller. Xem chi tiết tại file tmp9r00-sp
Các ứng dụng
- Vệ tinh
- Điện tử hàng không
- Tàu vũ trụ FPGA, ADC, DAC và ASIC
- Kiểm soát nhiệt độ

Robot Lau Dọn Bể Bơi Không dây AIPER
Raspberry Pi Pico W RP2040 Microcontroller Board
Robot Hút Bụi Lau Nhà Điều Khiển qua Giọng nói 118HW
Sandisk Ultra Micro card 32 GB-256GB và SD Reader
Robot hút bụi và lau nhà Liectroux Q8000
Module cảm biến nhiệt độ DS18B20


Reviews
There are no reviews yet.